Daniel1992 Opublikowano 16 Listopada 2014 Udostępnij Opublikowano 16 Listopada 2014 (edytowane) Witam.Mój problem polega na tym iż spaloną mam 1 cewkę drugą nadpaloną trzecia chyba dobra bo moto paliło .I w związku z tym ,czy może ktoś ma informacje jakie oporności moją cewki alternatora (stator) (ile omów)mam serwisówkę ale po niemiecku mało z niej wyczytałem .Chcę dać cewki do przewinięcia ,i pasuję żeby pan który będzie przewijał znał te wartości.Może ktoś ma możliwość zmierzyć te wartości w swoim moto .(między czarnym a masą silnika,Między różowym a żółtym, białym i masą silnika)Honda XL 500S 1982r instalacja 6V PD01 Edytowane 16 Listopada 2014 przez Daniel1992 Cytuj Odnośnik do komentarza Udostępnij na innych stronach Więcej opcji udostępniania...
DZIKOWSKI Opublikowano 16 Listopada 2014 Udostępnij Opublikowano 16 Listopada 2014 Który rok ? Cytuj Nie sztuką jest się rozpędzić.Sztuką jest wyhamować! Odnośnik do komentarza Udostępnij na innych stronach Więcej opcji udostępniania...
HD1940 Opublikowano 16 Listopada 2014 Udostępnij Opublikowano 16 Listopada 2014 Witam. Honda XL 500S 1982r instalacja 6V PD01 :ohmy: :biggrin: Cytuj Odnośnik do komentarza Udostępnij na innych stronach Więcej opcji udostępniania...
jannex Opublikowano 18 Listopada 2014 Udostępnij Opublikowano 18 Listopada 2014 Jak pan elektryk dobrze policzy zwoje i zmierzy średnicę drutu to oporność mu zbędna. Jak jest bardziej ogarnięty to można by je przewinąć na 12 v. Cytuj Odnośnik do komentarza Udostępnij na innych stronach Więcej opcji udostępniania...
Daniel1992 Opublikowano 18 Listopada 2014 Autor Udostępnij Opublikowano 18 Listopada 2014 dobrze by było ale musiał bym zmienić regulator napięcia , moduł zapłonu ,wszystkie żarówki ,przerywacz kierunków .Więc chyba wole te 6 V. Cytuj Odnośnik do komentarza Udostępnij na innych stronach Więcej opcji udostępniania...
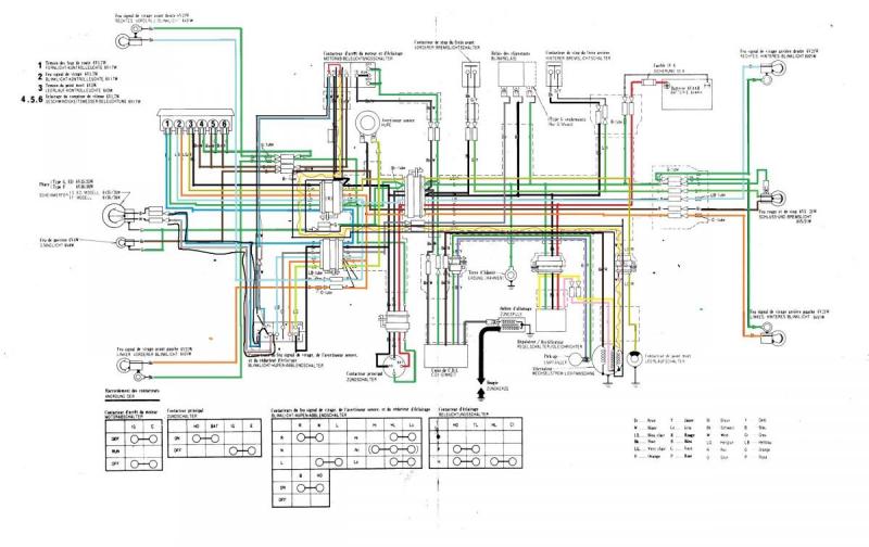
Daniel1992 Opublikowano 5 Lutego 2015 Autor Udostępnij Opublikowano 5 Lutego 2015 (edytowane) Mam jeszcze jedno pytanko co do instalacji ,jedną cewkę mam już przewiniętą (tą dużą 30 zł mnie to kosztowało ),do świateł jest oddzielna cewka (ta podwójna ) i chyba można by ją przewinąć na 12V bo układ zasilania świateł nie jest powiązany z innym układem elektrycznym , tak wynika ze schematu .(nabazgrałem na nim o który układ mi chodzi ) Edytowane 5 Lutego 2015 przez Daniel1992 Cytuj Odnośnik do komentarza Udostępnij na innych stronach Więcej opcji udostępniania...
Spaliniarz Opublikowano 12 Marca 2015 Udostępnij Opublikowano 12 Marca 2015 Słabo widze na tym schemacie , ale wygląda na to , że masz racje , można by spróbować nawinąć cieńszym drutem tą cewke . Cytuj Odnośnik do komentarza Udostępnij na innych stronach Więcej opcji udostępniania...
Rekomendowane odpowiedzi
Dołącz do dyskusji
Możesz dodać zawartość już teraz a zarejestrować się później. Jeśli posiadasz już konto, zaloguj się aby dodać zawartość za jego pomocą.