ShiroF6 Opublikowano 15 Lutego 2013 Udostępnij Opublikowano 15 Lutego 2013 Nie, no czekać to nie czekam jak moto chodzi ;) Ale chciałbym wiedziec co i jak. A jeśli chodzi o paliwo to mam kranik ustawiony na rezerwę bo jak kupiłem motór to pokrętło było pęknięte. Więc tylko licznikiem się sugeruje. :( Cytuj Odnośnik do komentarza Udostępnij na innych stronach Więcej opcji udostępniania...
joinery Opublikowano 15 Lutego 2013 Udostępnij Opublikowano 15 Lutego 2013 A nie łatwiej by było kupić nowe lub używane pokrętło? widziałem gdzieś na allegro gość wystawiał "całą" Valkyrię rozebraną na części na pewno będzie miał pokrętło,a poza tym... co nie dało się skleić? zresztą myślę że łatwiej byłoby coś takiego dorobić niż wskaźnik, no ale jak zrobisz wskaźnik to podzielisz się opinią jak działa, z mojej strony powodzenia, może być ciekawy patent ... tak na marginesie u mnie kranik przekręcam w palcami tak lekko "chodzi".. Cytuj Odnośnik do komentarza Udostępnij na innych stronach Więcej opcji udostępniania...
ShiroF6 Opublikowano 16 Lutego 2013 Udostępnij Opublikowano 16 Lutego 2013 Powiem tak - pokrętło jest zanitowane w kraniku, a pękło przy samej dup... więc nawet skleić się chyba nie da (myślałem o tym, choć nie próbowałem jeszcze). A na aukcji jest za 250zł więc mam to gdzieś bo niezbędne do życia to mi nie jest. A wskaźnik to temperatury chcę zrobić :rolleyes: Tylko najpierw gmole i relingi kończę. Zimno w garażu i nie chce się iśc, poczekam jeszcze trochę. I jeszcze w planach mam do zrobienia pozycyjne i wyłącznik czujnika mikrofalowego w alarmie. Także dużo pierdołek przede mna... :) Cytuj Odnośnik do komentarza Udostępnij na innych stronach Więcej opcji udostępniania...
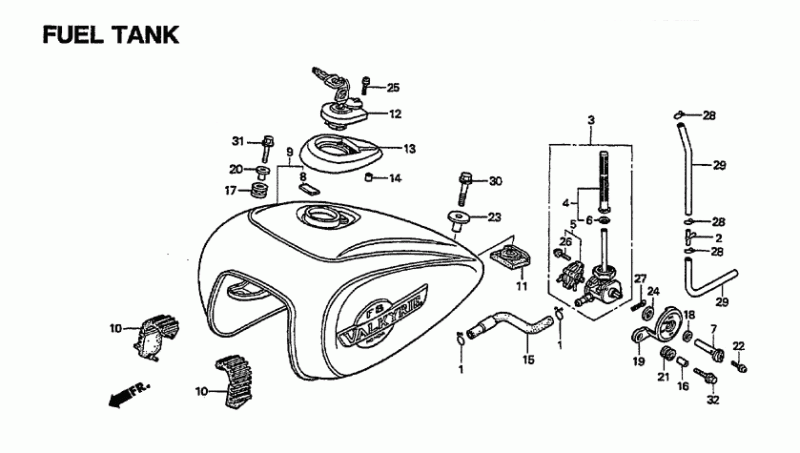
joinery Opublikowano 19 Lutego 2013 Udostępnij Opublikowano 19 Lutego 2013 ... pomysłów widzę że masz trochę,ciekawy jestem jak to sobie wymyśliłeś z tym wskaźnikiem paliwa? ja to troszkę słabo widzę, szczególnie z możliwością umieszczenia pływaka w zbiorniku...A te relingi to w którym miejscu chcesz założyć?A tak na marginesie to kompletny pokrętło kosztuje w Stanach 36.15 dolara... w Polsce to chyba wszystkich poje... z tymi cenami... A masz tu schemat zbiornika w załączniku, może Ci się przyda no i jest pokrętło pokazane :) nie wiem jak go otworzysz ale dodałem plik ...heh... pierwszy raz to zrobiłem i widzę że się fajnie otworzył ..odezwij się jak idą prace :buttrock: Cytuj Odnośnik do komentarza Udostępnij na innych stronach Więcej opcji udostępniania...
ShiroF6 Opublikowano 20 Lutego 2013 Udostępnij Opublikowano 20 Lutego 2013 Witam. Dzięki za schemacik :) Jeśli chodzi o wskaźnik paliwa to jeszcze przyjdzie czas na to ;) (myślę). A relingi to na tylnych gmolach będą wokół sakiew. Gmol rura KO 1" ,a reling rura KO 3/8". Już częściowo mam zrobione, ale jeszcze dużo pracy przede mna i masa polerowania, elektryka w tym będzie, itd... Na pewno dam fotkę.Czekam na trochę cieplejsze dni... na zewnątrz białoooo i coraz zimniej. :cool: Cytuj Odnośnik do komentarza Udostępnij na innych stronach Więcej opcji udostępniania...
joinery Opublikowano 20 Lutego 2013 Udostępnij Opublikowano 20 Lutego 2013 ...jeśli mówisz o polerowaniu to pewnie z chromoniklu będziesz robił? Trochę polerki Cię czeka ale materiał na wieki... Cytuj Odnośnik do komentarza Udostępnij na innych stronach Więcej opcji udostępniania...
ShiroF6 Opublikowano 22 Lutego 2013 Udostępnij Opublikowano 22 Lutego 2013 Nie, nie. KO czyli z rury kwasoodpornej. Polerka na wysoki połysk, bez chromu. Cytuj Odnośnik do komentarza Udostępnij na innych stronach Więcej opcji udostępniania...
joinery Opublikowano 24 Lutego 2013 Udostępnij Opublikowano 24 Lutego 2013 heh.. Kolego dobrze mówisz ale spróbuje Cię poprawić : popularnie mówi się kwasoodporna,kwasówka, nierdzewka,itp.lub właśnie chromonikiel, dlatego że wytwarza się to ze stopu chromu 60% i niklu 40% i jeszcze tam innych domieszek, rożnie to nazywają, jedni mówią właśnie kwasówka a inni bardziej fachowo określają ten materiał jako chromonikiel.To tak ogólnikowo a więcej info. na pewno znajdziesz w google jak ci się będzie chciało szukać :) ,parę rzeczy robiłem z tego materiału i jedno jest pewne jak już zrobisz to satysfakcja gwarantowana na wieki :biggrin: . A tak z innej beczki ... intryguje mnie ten twój pomysł na wskaźnik paliwa i nie żebym chciał zmałpować (u mnie kranik działa) ale z czystej ciekawości od czego chcesz zacząć? A skoro już jesteśmy przy paliwie to ja intensywnie myślę nad zmniejszeniem zużycia paliwa, na długich dystansach bo mnie trochę irytuje jak ja tankuje dwa razy a inni na mniejszych "plastikach" tylko raz.. :banghead: , i tutaj nie mam na myśli zmiany koła zapłonowego o którym pisał kolega Słoma,bo ja to już mam ale o innej konkretnej zmianie w przeniesieniu napędu...co Ty na to? Cytuj Odnośnik do komentarza Udostępnij na innych stronach Więcej opcji udostępniania...
słoma Opublikowano 24 Lutego 2013 Udostępnij Opublikowano 24 Lutego 2013 a propo koła ? , zauważyłeś jakieś zmiany ? na forach amerykańskich wszyscy wyrażają się pochlebnie , ze zwiększona dynamika i mniejsze spalanie . a zużycie paliwa ? masz 1500 ccm , 6 garów , dobrze ponad 300 kg , podejrzewam ze żagiel z przodu , wiec przy 130 km/h ile chcesz żeby palił ? 4 litry? jeździsz chyba w towarzystwie jakiś pierdopędów :) , ze palą dwa razy mniej :) pozdrawiam:) Cytuj Odnośnik do komentarza Udostępnij na innych stronach Więcej opcji udostępniania...
joinery Opublikowano 24 Lutego 2013 Udostępnij Opublikowano 24 Lutego 2013 ...no tak wszystko co piszesz się zgadza, i ściana z przodu w postaci szyby też,(chociaż moja jest nieco mniejsza niż standard "tourer") co do koła zapłonu to nie będę się rozpisywał bo opinie znasz, ja się tylko zastanawiam, nad przeniesieniem napędu aby przy tych samych obrotach zyskać jakieś 10-20 km/h więcej, no i wkurza mnie to że nie ma 6-eg biegu którego tak usilnie szukam w różnych sytuacjach, bo nie czarujmy się ...-moc jest , garów nie brakuje, więc mogli by pomyśleć o 6-ce ... a skoro nie ma to właśnie myślę nad czymś innym... Cytuj Odnośnik do komentarza Udostępnij na innych stronach Więcej opcji udostępniania...
Dux Opublikowano 26 Lutego 2013 Udostępnij Opublikowano 26 Lutego 2013 witam, jestem nowy na forum, ale podpatrywałem wasze dyskusje, z kilku porad skorzystałem, dzięki. prosze o podpowiedz, padl mi akumulator w mojej Valkirie, jaki jest najlepszy i gdzie kupic, jeszcze jedno wyswietlacz wskazuje mi tylko poziom paliwa mam odłaczony moduł, koles od którego kupiłem maszynę (4 lata temu) mówił że jest z nim jakiś problem, chyba nadszedł czas coś z tym zrobic :angry: , dotarłem do goscia z Bełchatowa (chyba ktoś o nim pisał wcześniej) mówi że to może byc pierdoła, jakaś djoda, czy coś wiecie na ten temat? Cytuj Odnośnik do komentarza Udostępnij na innych stronach Więcej opcji udostępniania...
joinery Opublikowano 26 Lutego 2013 Udostępnij Opublikowano 26 Lutego 2013 Witam, miło że wpadłeś :) . No cóż skoro wspominasz o o module przy wskaźniku paliwa to pewnie posiadasz Interstate a ja posiadam Tourer więc o tym problemie pogadaj z Słomą może on coś wie, natomiast jeśli chodzi o akumulator to przerabiałem ten temat jak szukałem do swojej. Fabrycznie montowany był Yuasy YTX-14BS w moim sprzęcie ,no a w twoim może być ten sam lub nieco mocniejszy 15 lub 16. Powiem tak ... pytasz gdzie kupić ? proste tam gdzie najtaniej Yuasa jest ponoć najlepsza i jak nazwa sugeruje pochodzi z Japonii ,tz. tam ją opatentowano a ściślej mówiąc technologię mat z włókna chyba szklanego która wchłania elektrolit i utrzymuje go miedzy płytami tak że akumulator mógł pracować w każdej pozycji i nic się z niego nie wylało. To było kiedyś dzisiaj fabryki są rozsiane po całym świecie i z tego co wiem Yuasa na Europę produkuje akumu. w W. Brytanii . Więc to już nie jest taki Japończyk jak był,i nie czarujmy się te co fabrycznie montują do sprzętów wytrzymują znacznie dłużej niż kupione później , ale to się ma też do innych marek Bosch ,Varta i wielu innych czy to motocyklowych czy samochodowych.Akumulatorów jest wiele rodzajów tu masz link to sobie poczytaj http://www.sklepcentra.pl/centra/centrum-wiedzy/149-roznica-pomiedzy-akumulatorem-zelowym-a-agm.html . Jedno jest pewne Yuasa będzie najdroższa ok 300zł, ja przerobiłem Vartę ok.200 i wytrzymała jeden sezon i a później doszedłem do wniosku że kupię najtańszy i z przesyłką do domu zapłaciłem 110 zł i ten mam już 2 sezon i jest w najlepszej kondycji. Ale nic za darmo o akumulator trzeba dbać, tego się nauczyłem jak padła mi Varta myślę że to dobra marka ale ja ją spieprzyłem teraz to wiem i kupiłem z najniższej półki żeby nie przepłacać bo bebechy mają takie same ...dbam o niego i mi się odwdzięcza ..działa jak nowy :buttrock: Odnośnie problemów z wskaźnikiem paliwa... Shiro to też coś dla ciebie podrzucam schemat baku do Interstate może padł ci pływak lub całe to urządzenie nr.18 A właśnie Shiro jak jak już myślisz nad wskaźnikiem to tutaj masz już gotowca ale to kosztuje dobre ponad 350zł więc tańsze jednak będzie pokrętło... :) Cytuj Odnośnik do komentarza Udostępnij na innych stronach Więcej opcji udostępniania...
Dux Opublikowano 26 Lutego 2013 Udostępnij Opublikowano 26 Lutego 2013 Dzięki za linka, zobaczę co jest, do tej pory jezdziłem na Varcie było ok.Pozdrawiam Cytuj Odnośnik do komentarza Udostępnij na innych stronach Więcej opcji udostępniania...
ShiroF6 Opublikowano 2 Marca 2013 Udostępnij Opublikowano 2 Marca 2013 Witam. No na pewno taniej by wyszedł kranik (250 jest aktualnie na All.) Ale na razie nie mam czasu o tym myśleć no i działa wszystko ok bez ruszania pokrętłem, więc tak zostawiam. A jeśle chodzi o wskaźnik paliwa to daj mi jeszcze troszkę czasu... Ja myślałem o zupełnie innej zasadzie niż ta stosowana ogólnie. Pozdrawiam kolegów :) Cytuj Odnośnik do komentarza Udostępnij na innych stronach Więcej opcji udostępniania...
joinery Opublikowano 6 Marca 2013 Udostępnij Opublikowano 6 Marca 2013 Hej tam ! Wiosna idzie , słońce świeci ktoś już wyjechał ? Robiliście już przeglądy przedsezonowe? Cytuj Odnośnik do komentarza Udostępnij na innych stronach Więcej opcji udostępniania...
Rekomendowane odpowiedzi
Dołącz do dyskusji
Możesz dodać zawartość już teraz a zarejestrować się później. Jeśli posiadasz już konto, zaloguj się aby dodać zawartość za jego pomocą.