Hipolit Opublikowano 5 Listopada 2013 Udostępnij Opublikowano 5 Listopada 2013 Witam wszystkich, szperałem po necie szukałem ale nie mogłem znaleźć potrzebnych informacji na temat jak działa układ paliwowy i sterowanie zapłonem i wtryskami w silniku CBR 600 RR, posiadam pełną serwisówkę.Do tej pory miałem tylko styczność z silnikami gaźnikowymi a do pewnego projektu na uczelni potrzebuje właśnie tych informacji.A mianowicie w serwisówce znalazłem ten oto schematpytanie czy moglibyście mi wytłumaczyć w jaki sposób działa ten układ paliwowy? Mam rozumieć że pobiera opary paliwa potem idzie przez jakieś dwa elementy i do listwy z wtryskami?? Szczerze mówiąc nie wiem co widzę na tym schemacie... byłbym wdzięczny jak by ktoś objaśnił :) Drugie pytanie oryginalny moduł zapłonowy obsługuje mapę wtrysków i zapłonu żeby ją zmienić potrzeba POWER COMANDER na którego wgrywa się za pomocą kompa własną mapę wtrysku i zapłon tak? Będę wdzięczny za każdą pomoc :wink: Cytuj Odnośnik do komentarza Udostępnij na innych stronach Więcej opcji udostępniania...
baba_zanetti Opublikowano 5 Listopada 2013 Udostępnij Opublikowano 5 Listopada 2013 :) nawet mnie to trochę rozbawiło, bo schemat nie przedstawia układu zasilania, tylko układ "pozbywania" się szkodliwych oparów występujący tylko w wersjach na rynek Californii (regulacje prawne). Power Commander jest marką DynoJeta... a zresztą- przeczytaj to: http://ptm.pl/index.php?page=power-commander Cytuj 8.96s 1/4mili GSX-R K1 1000 TURBO/NITROSPEEDBIKE.PL TURBO TAKŻE W TWOIM MOTOCYKLU!SERWIS MOTOCYKLI- WARSZAWA, HAMOWNIA - STROJENIEhttps://www.facebook.com/bados84/ Odnośnik do komentarza Udostępnij na innych stronach Więcej opcji udostępniania...
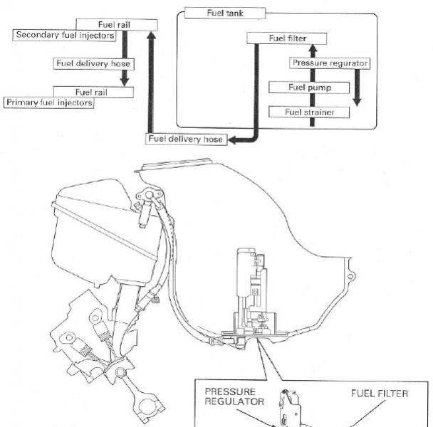
Hipolit Opublikowano 6 Listopada 2013 Autor Udostępnij Opublikowano 6 Listopada 2013 U nie wiem jak to zrobiłem, coś schematy mi się pomyliły za dużo scrola...Dobrze więc cały układ paliwowy widać tutajPotrzebna jest oczywiście pompa paliwa i dwie listwy wtryskowe i ciekawi mnie czemu mają służyć dwie listwy wtryskowe bo z tego co patrzyłem to w starszych modelach jest jedna główna? Cytuj Odnośnik do komentarza Udostępnij na innych stronach Więcej opcji udostępniania...
Bimbak Opublikowano 6 Listopada 2013 Udostępnij Opublikowano 6 Listopada 2013 po co dodatkowe wtryski? - normy emisji spalin :) a tutaj ogólnie o wtrysku w Hondachhttp://www.iamabiker.com/motorcycle-news-desk/2013/honda-pgm-fi-explained/http://world.honda.com/motorcycle-technology/pgm-fi/p6.html Cytuj http://bikepics.com/members/chudy/ Odnośnik do komentarza Udostępnij na innych stronach Więcej opcji udostępniania...
Hipolit Opublikowano 6 Listopada 2013 Autor Udostępnij Opublikowano 6 Listopada 2013 Zaraz zasiadam do lektury. Ta druga listwa wtryskowa 'SECONDARY FUEL INJECTOR' jest niezbędna do odpowiedniej pracy tego silnika? Cytuj Odnośnik do komentarza Udostępnij na innych stronach Więcej opcji udostępniania...
Bimbak Opublikowano 6 Listopada 2013 Udostępnij Opublikowano 6 Listopada 2013 Tak, jest niezbędna bo wtryskiwacze pierwotne są za małe by samodzielne zasilać silnik powyżej pewnych obrotów i pewnego otwarcia przepustnicy. Tak został zestrojony układ. Mapy wtrysku w 600RR są już trójwymiarowe. Cytuj http://bikepics.com/members/chudy/ Odnośnik do komentarza Udostępnij na innych stronach Więcej opcji udostępniania...
Rekomendowane odpowiedzi
Dołącz do dyskusji
Możesz dodać zawartość już teraz a zarejestrować się później. Jeśli posiadasz już konto, zaloguj się aby dodać zawartość za jego pomocą.