Grzegorz 1979 Opublikowano 26 Października 2023 Udostępnij Opublikowano 26 Października 2023 Witam, mam taki problem. Mianowicie posiadam skuter Suzuki Katana 50 2T, w którym jest nietypowe rozwiązanie zapłonu, mianowicie posiada stator 12 cewek jednofazowe i nietypowy regulator Ducati energia (który jest spalony). Czy ktoś może mi pomóc, jak i jaki inny regulator mogę wstawić na miejsce tego spalonego? Ponieważ wymiana na ten sam regulator Ducati energia wiąże się z dużym kosztem. Pytanie drugie, czy mogę podzielić stator, mianowicie przerobić na dwufazowy? Cytuj Odnośnik do komentarza Udostępnij na innych stronach Więcej opcji udostępniania...
Stefan Kowalski Opublikowano 26 Października 2023 Udostępnij Opublikowano 26 Października 2023 Ile przewodów wychodzi ze statora? Czy możesz wrzucić zdjęcie? Z tego co piszesz wynika że lepiej byś nie dzielił statora na większą ilość faz. Rozważałeś montaż oryginalnego regulatora napięcia? Jeśli to konieczne, to można zamontować każdy popularny niedrogi regulator 12V, który ma zgodna ilość przewodów, a nawet zamiast zamiast regulatora jednofazowego da się zastosować regulator trojfazowy. Z tym że bardziej elegancko jest zamontować oryginalny, dedykowany regulator. Cytuj Odnośnik do komentarza Udostępnij na innych stronach Więcej opcji udostępniania...
Grzegorz 1979 Opublikowano 26 Października 2023 Autor Udostępnij Opublikowano 26 Października 2023 Stator posiada jeden przewód wyjścia na regulator z regulatora napięcie było separowane na cewkomoduł , ładowanie akumulatora ,światła oraz przez rezystor podświetlenie zegarów ,awaria regulatora powstała w skutek złego podpięcia zacisków akumulatora zwykły błąd a okazał się bardzo kosztowny,co do samego zapłonu zastosowałem moduł CDI DC z akumulatora i wszystko gra silnik odpala bez problemu tylko problem w tym że brak ładowania oraz świateł ,była też próba wymiany samego statora nie stety nie współpracuje z magnetem. Cytuj Odnośnik do komentarza Udostępnij na innych stronach Więcej opcji udostępniania...
Stefan Kowalski Opublikowano 26 Października 2023 Udostępnij Opublikowano 26 Października 2023 Powinien pasować każdy regulator 4 przewodowy albo 4 pin np taki https://allegro.pl/oferta/regulator-napiecia-4-pin-skutery-chinskie-4t-12623232108 Cytuj Odnośnik do komentarza Udostępnij na innych stronach Więcej opcji udostępniania...
Grzegorz 1979 Opublikowano 27 Października 2023 Autor Udostępnij Opublikowano 27 Października 2023 Dziękuję za podpowiedź, czyli wychodzi na to że regulator który nabyłem taki jak z zdjęcia tylko że 5 pinów nie będzie pasował ? Cytuj Odnośnik do komentarza Udostępnij na innych stronach Więcej opcji udostępniania...
Stefan Kowalski Opublikowano 27 Października 2023 Udostępnij Opublikowano 27 Października 2023 Można go wykorzystać, podstawowa różnica między nimi to że 4 pinowy ma na wejściu prostownik na 4 diodach a 5 pinowy prostownik na 6 diodach. Przy podłączeniu do takiego statora podpinamy go do 2 przewodów wejsciowych a trzeci można za izolować. W tej sytuacji będą wykorzystane 4 diody z 6 w prostowniku w regulatorze. To musi działać tak samo dobrze. Jedyna rzecz która należałoby sprawdzić to czy obudowa regulatora jest połączona z masą. Jeśli tak to lepiej byłoby ze statora wyprowadzić 2 przewody, tak by uzwojenie statora nie było do masy podłączone. Cytuj Odnośnik do komentarza Udostępnij na innych stronach Więcej opcji udostępniania...
JanuszK30 Opublikowano 28 Października 2023 Udostępnij Opublikowano 28 Października 2023 W dniu 26.10.2023 o 09:44, Grzegorz 1979 napisał: Witam, mam taki problem. Mianowicie posiadam skuter Suzuki Katana 50 2T, w którym jest nietypowe rozwiązanie zapłonu, mianowicie posiada stator 12 cewek jednofazowe i nietypowy regulator Ducati energia (który jest spalony). Czy ktoś może mi pomóc, jak i jaki inny regulator mogę wstawić na miejsce tego spalonego? Ponieważ wymiana na ten sam regulator Ducati energia wiąże się z dużym kosztem. Pytanie drugie, czy mogę podzielić stator, mianowicie przerobić na dwufazowy? https://www.intermotors.pl/produkty/C59C62-regulator-napiecia-ip000135-12v-pasuje-do-suzuki-tgb-winking-tgb-ip000135 Cytuj Mechanika Motocyklowa Odnośnik do komentarza Udostępnij na innych stronach Więcej opcji udostępniania...
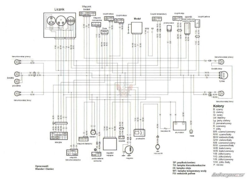
Stefan Kowalski Opublikowano 28 Października 2023 Udostępnij Opublikowano 28 Października 2023 Sprawdziłem na schemacie i okazuje się że oryginalny regulator ładowania pobiera prąd z jednej końcówki uzwojenie stojana, a druga jest podłączona do masy. Jednocześnie do masy jest podłączony akumulator. Oznacza to że w tym regulatorze jest prostownik jednopolowkowy. Czyli jest wykorzystywana tylko połowa prądu wytwarzana przez prądnicę. Taka prądnica by sprawnie ładować, musi generować wyższe napięcie. Zastosowanie innego regulatora niż dedykowany będzie powodowało jego intensywne przegrzewanie i częste usterki. Cytuj Odnośnik do komentarza Udostępnij na innych stronach Więcej opcji udostępniania...
Rekomendowane odpowiedzi
Dołącz do dyskusji
Możesz dodać zawartość już teraz a zarejestrować się później. Jeśli posiadasz już konto, zaloguj się aby dodać zawartość za jego pomocą.