Sebek521 Opublikowano 1 Października 2023 Udostępnij Opublikowano 1 Października 2023 Cześć montowałem dzisiaj nowe ledowe kierunkowskazy do Hondy Shadow VT750 rc44 z 98 roku użyłem do tego schematu elektrycznego który znalazłem w Googlach niestety nie mialem multimetru żeby sie upewnić co i jak finał jest taki ze nie mam światła stop pozycji kierunków z tylu i podświetlenie zegarów razem z licznikiem elektronicznym kilometrów działa tylko światło przednie mijania i drogowe sprawdziłem oba bezpieczniki które są wyszczególnione na schematach czyli 30A zaraz za akumulatorem i później jest jeszcze jeden również jest ok gdzie szukać dalej? w którym miejscu są te które zaznaczyłem na rysunku poniżej? Dodam ze rozrusznik normalnie kreci i motocykl zapala bez problemu Cytuj Odnośnik do komentarza Udostępnij na innych stronach Więcej opcji udostępniania...
jonaszko Opublikowano 1 Października 2023 Udostępnij Opublikowano 1 Października 2023 Kolego, nie masz nawet najprostrzego narzędzia a oczekujesz pomocy.Przecież to jasno wynika, że coś skopałeś. Cytuj Odnośnik do komentarza Udostępnij na innych stronach Więcej opcji udostępniania...
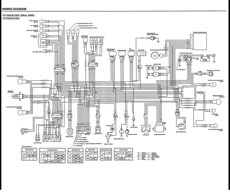
Stefan Kowalski Opublikowano 1 Października 2023 Udostępnij Opublikowano 1 Października 2023 Cytuj Odnośnik do komentarza Udostępnij na innych stronach Więcej opcji udostępniania...
Sebek521 Opublikowano 1 Października 2023 Autor Udostępnij Opublikowano 1 Października 2023 tyle to ja tez wiem 🤷♂️ spalił się bezpiecznik bo pokopałem i znalazłem gdzie jest dokładnie to cholerne pudełeczko z bezpiecznikami 4 minuty temu, Stefan Kowalski napisał: dzięki kolego właśnie według tego schematu łączyłem i cos się spier...lo jutro musze to z multimetrem posprawdzać Cytuj Odnośnik do komentarza Udostępnij na innych stronach Więcej opcji udostępniania...
Stefan Kowalski Opublikowano 1 Października 2023 Udostępnij Opublikowano 1 Października 2023 Ale podłączenie kierunkowskazu to tylko 2 przewody, co tam można skopać? Gdzie leży trudność? Akcesoryjne kierunkowskazy są lepsze niż oryginalne? Pochwal się jak to wygląda. Cytuj Odnośnik do komentarza Udostępnij na innych stronach Więcej opcji udostępniania...
Sebek521 Opublikowano 1 Października 2023 Autor Udostępnij Opublikowano 1 Października 2023 nie chce mi się już schodzić do garazu jutro podeślę zdjęcie mogę podesłać zdjęcie jak to u mnie wyglada z tylu w sumie z przodu są identyczne i osłony z lagów są ściągnięte tak wiem ze to proste są trzy kable tak naprawdę stad moje zdziwienie i zażenowanie dlaczego tak się stało Cytuj Odnośnik do komentarza Udostępnij na innych stronach Więcej opcji udostępniania...
Sebek521 Opublikowano 4 Października 2023 Autor Udostępnij Opublikowano 4 Października 2023 (edytowane) trochę dłużej mi zeszło Edytowane 4 Października 2023 przez Sebek521 Cytuj Odnośnik do komentarza Udostępnij na innych stronach Więcej opcji udostępniania...
Stefan Kowalski Opublikowano 5 Października 2023 Udostępnij Opublikowano 5 Października 2023 To co, działają już dobrze? Czy ledowe kierunkowskazy nie migają z większą częstotliwością? Cytuj Odnośnik do komentarza Udostępnij na innych stronach Więcej opcji udostępniania...
Sebek521 Opublikowano 5 Października 2023 Autor Udostępnij Opublikowano 5 Października 2023 To co, działają już dobrze? Czy ledowe kierunkowskazy nie migają z większą częstotliwością?Nie robiłem z tym nic dzisiaj mam ostatni dzień pracy więc w weekend będę się bawił Do tej pory miałem tak że tylne migały mi tak samo Kwestia przerywacza wg mnie nie samych ledow Wysłane z iPhone za pomocą Tapatalk Cytuj Odnośnik do komentarza Udostępnij na innych stronach Więcej opcji udostępniania...
Rekomendowane odpowiedzi
Dołącz do dyskusji
Możesz dodać zawartość już teraz a zarejestrować się później. Jeśli posiadasz już konto, zaloguj się aby dodać zawartość za jego pomocą.