Skocz do zawartości

Mechaniczny regulator napięcia. CZ 175/487


Piotrx95
 Udostępnij

Rekomendowane odpowiedzi

Witam.

Mam taki mały problem z mechanicznym regulatorem napięcia, bądź ładowaniem w motocyklu jakim jest CZ 175/487.

Wpierw kontrolka od ładowania, zaczęła się świecić, przy wyższych obrotach, raz gasnąć. A teraz już się świeci cały czas.

CZ 175/487 nie ma alternatora, a prądnicę.

Jako, że regulator jest mechaniczny, to kiedy elektromagnes zbliża styk, to występuje iskrzenie. Styk jest nadtopiony, wyglądem przypomina stopioną elektrodę.

Chodzi mi o to, gdzie na prądnicy, bądź przy regulatorze podłączyć miernik, tak aby dokładnie sprawdzić, co powoduje te właśnie objawy.

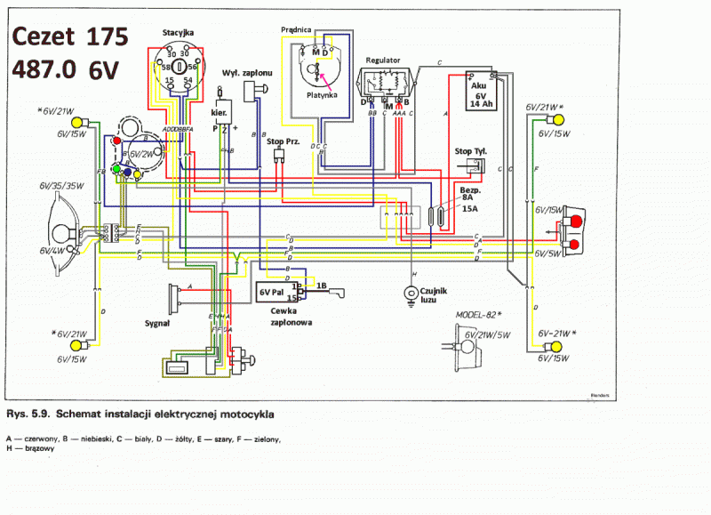
Tutaj macie schemat:

post-80094-0-08758700-1454706304_thumb.gif

 

 

Odnośnik do komentarza
Udostępnij na innych stronach

miernik między M od regulatora a masę i sprawdzić jakie napięcie dochodzi to raz , dwa to stopienie styków regulatora powoduje prawdopodobnie za duży prąd pobierany , akumulator masz sprawny ?

"... i ujrzal Pan prace nasza i byl zadowolony a zapytawszy o zarobki nasze usiadl i zaplakal..." list Pawla apostola do koryntian

michoa-100% stylistów bez szyku

 

http://miszczua.cba.pl

Odnośnik do komentarza
Udostępnij na innych stronach

Jak masz wypalone styki to są do wymiany bo zadne czyszczenie itp. nie pomoże bo za chwilę robi sie kulka miedzy stykami i zwiera. Wtedy pożegnasz się z tym co będzie włączone.

Najlepiej zamontuj elektroniczny regulator.

lewa noga: http://forum.motocyk...__1#entry782383
prawa noga: http://forum.motocyk...__fromsearch__1
...i tak wszyscy umrzemy...

Odnośnik do komentarza
Udostępnij na innych stronach

Nie było mnie kilka dni...Dopiero teraz mam czas...

Akumulator jak i ładownie jest ok.

Kiedy zbliżę blaszkę do elektromagnesu, kontrolka ładowania gaśnie, motocykl normalnie pracuje.

Chciałem przeczyścić ten styk od regla.. :D Ale podczas czyszczenia sobie odpadł. Wystarczyło go dotknąć.

Już miałem w planach wcześniej kupić elektroniczny regulator.. Teraz plany się przyspieszyły.

Dzięki za porady i odpowiedzi.

Odnośnik do komentarza
Udostępnij na innych stronach

Dołącz do dyskusji

Możesz dodać zawartość już teraz a zarejestrować się później. Jeśli posiadasz już konto, zaloguj się aby dodać zawartość za jego pomocą.

Gość
Dodaj odpowiedź do tematu...

×   Wklejono zawartość z formatowaniem.   Usuń formatowanie

  Dozwolonych jest tylko 75 emoji.

×   Odnośnik został automatycznie osadzony.   Przywróć wyświetlanie jako odnośnik

×   Przywrócono poprzednią zawartość.   Wyczyść edytor

×   Nie możesz bezpośrednio wkleić grafiki. Dodaj lub załącz grafiki z adresu URL.

 Udostępnij

×
×
  • Dodaj nową pozycję...