abczgr Opublikowano 12 Lipca 2024 Udostępnij Opublikowano 12 Lipca 2024 Witam , czy jest tu ktoś kto wytłumaczył by łopatologicznie co z czym połączyć żeby działało ? chinski.jfif Cytuj Odnośnik do komentarza Udostępnij na innych stronach Więcej opcji udostępniania...
Stefan Kowalski Opublikowano 12 Lipca 2024 Udostępnij Opublikowano 12 Lipca 2024 No ale czego Ci brakuje? Nie umiesz przetłumaczyć kolorów przewodów, czy o co Ci chodzi? Zielony masa, czarny plus 12V, czerwony prędkość, biało niebieski obroty. To kolory od strony chińskiego licznika. Cytuj Odnośnik do komentarza Udostępnij na innych stronach Więcej opcji udostępniania...
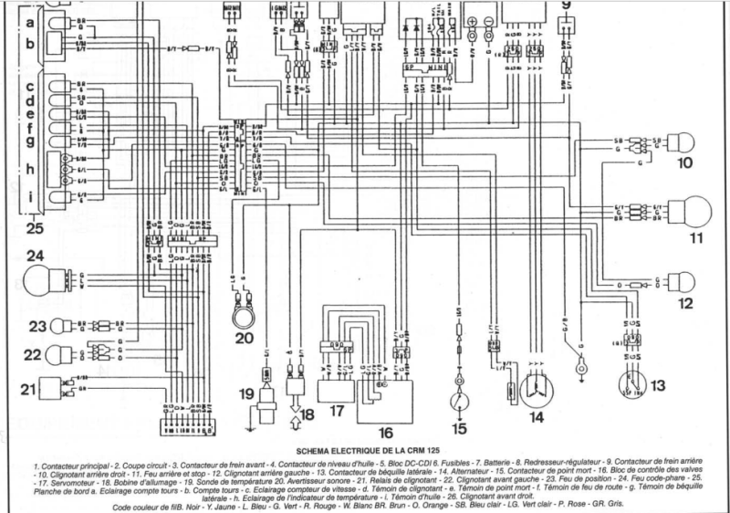
abczgr Opublikowano 13 Lipca 2024 Autor Udostępnij Opublikowano 13 Lipca 2024 kolego dzięki za odpowiedz ale kolory od strony licznika chińskiego ogarniam , chodzi mi o kolory od strony hondy Cytuj Odnośnik do komentarza Udostępnij na innych stronach Więcej opcji udostępniania...
Stefan Kowalski Opublikowano 13 Lipca 2024 Udostępnij Opublikowano 13 Lipca 2024 Jest to bardzo niewyraźny skan ale złącze b to obrotomierz, masz na nim zasilanie, masę i sygnał obrotow. Niestety nie udało mi się odczytać które to sygnał prędkościomierza, ale to łatwo znaleźć na motocyklu szukając czujnika prędkości jazdy, albo robiąc pomiary na złączu licznika. Cytuj Odnośnik do komentarza Udostępnij na innych stronach Więcej opcji udostępniania...
fateofangel Opublikowano 27 Lipca 2024 Udostępnij Opublikowano 27 Lipca 2024 wszystkiego nie podłączysz, na czym CI zależy? Cytuj Baggy Natural Odnośnik do komentarza Udostępnij na innych stronach Więcej opcji udostępniania...
Rekomendowane odpowiedzi
Dołącz do dyskusji
Możesz dodać zawartość już teraz a zarejestrować się później. Jeśli posiadasz już konto, zaloguj się aby dodać zawartość za jego pomocą.