Skocz do zawartości

Wymiana zapłonu na cdi w mz etz 250


Piotr1222
 Udostępnij

Rekomendowane odpowiedzi

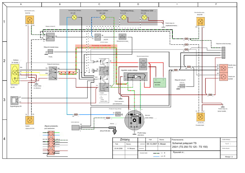
Przewód 15/54 to plus po zapłonie. Próbowałeś go znaleźć przy stacyjce? To jest przewód który również dochodzi do cewki zapłonowej, klaksonu i jeszcze w kilku miejsc. Skorzystaj ze schematu instalacji motocykla

ts250-1.thumb.png.5c38e1d77e945a40e31aa28300cd042f.png

Po co dublować wątki ? Czemu nie odpowiadasz we wcześniej założonym temacie?

 

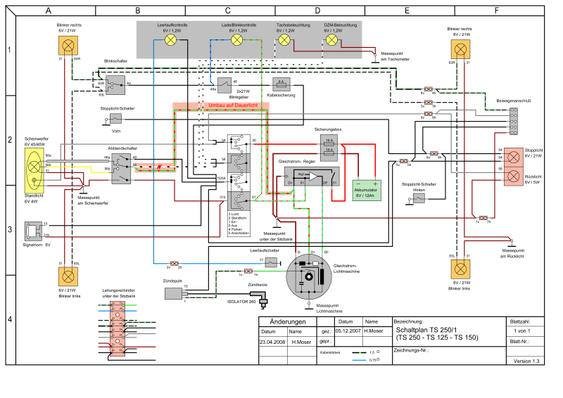
Zrobiłem jeszcze tłumaczenie schematu z faszystowskiego na polski ts250-1(1).thumb.png.0983f0bf09a87c2b9bff70fc0fe1ea67.png

Edytowane przez Stefan Kowalski
  • Dzięki! 1
Odnośnik do komentarza
Udostępnij na innych stronach

Dołącz do dyskusji

Możesz dodać zawartość już teraz a zarejestrować się później. Jeśli posiadasz już konto, zaloguj się aby dodać zawartość za jego pomocą.

Gość
Dodaj odpowiedź do tematu...

×   Wklejono zawartość z formatowaniem.   Usuń formatowanie

  Dozwolonych jest tylko 75 emoji.

×   Odnośnik został automatycznie osadzony.   Przywróć wyświetlanie jako odnośnik

×   Przywrócono poprzednią zawartość.   Wyczyść edytor

×   Nie możesz bezpośrednio wkleić grafiki. Dodaj lub załącz grafiki z adresu URL.

 Udostępnij

×
×
  • Dodaj nową pozycję...